PRODUCTS製品情報
信頼を編み、国土を支える。
Kozai Steel Co., Ltd.
#建築
#道路・法面
溶接金網
建築物の床やコンクリート舗装などに多く用いられているこの溶接金網は工場で画一に製造されるため、現場での配筋作業に熟練を必要とせず少人数ですばやく行うことができます。また、1枚の溶接されたシート状になっているため配筋の乱れもなく管理が容易に行えます。
溶接金網には普通の溶接金網とCDメッシュがございます。
特徴
構造的利点
- きれつ分散による耐久性の向上が得られ、補修費の節減となります。
- 温度変化、収縮変化などにより生ずる拘束応力によるひび割れの防止。
- 負荷荷重が、縦横の抗張力の高い溶接金網にかかるので比較的細径でも、大きな負荷荷重に耐えられ、鋼材料の節約となります。
- 強じんな補強版の役目をはたします。
施工上の利点
- 建込み、制作が機械化、工場生産化され、施工が正確で容易になる。
- 現場労務、工数が減少しつねに少数の配筋工で作業ができる。
- 工程計画が容易で単純化されます。
- 現場での工程管理、品質管理が単純化され熟練度を要しません。
- 製品化が比較的自由にできます。
- 設計の標準化を可能とします。
CDメッシュの特徴
製造行程
使用用途例
建築(床、壁、屋根)
土木(滑走路、埠頭、法面保護、トンネル、煙突等のセメント吹付工事)
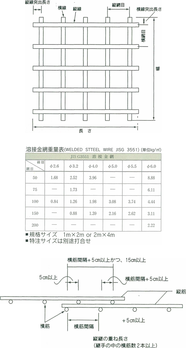
構造・仕様
形状・寸法

溶接金網の機械的性質